legines.com
BSPT/BSPP HEX NIPPLE PIPE Fitting 2500

BSPT/BSPP HEX NIPPLE PIPE Fitting 2500

"Hex puting untuk menghubungkan dua pipa atau fiting berulir dan memperpanjang panjang pipa, bagian tengah heksagonal untuk dikencangkan dengan kunci pas.
Benang NPT jantan untuk menghubungkan ke pipa berulir betina.
Kuningan tempa untuk resistensi korosi, keuletan pada suhu tinggi, dan permeabilitas magnetik rendah.
Tekanan pengoperasian hingga 1200psi, kisaran suhu -40 ° F hingga 160 ° F. "

Aplikasi Khas:
Grease, Refrigeration, Instrumentation and Hydraulic Systems.Belak

Keuntungan:
Benang Pipa Dryseal (BSPT (R)/BSP (G). Kisaran Ukuran dan Konfigurasi Large

Hubungi kami

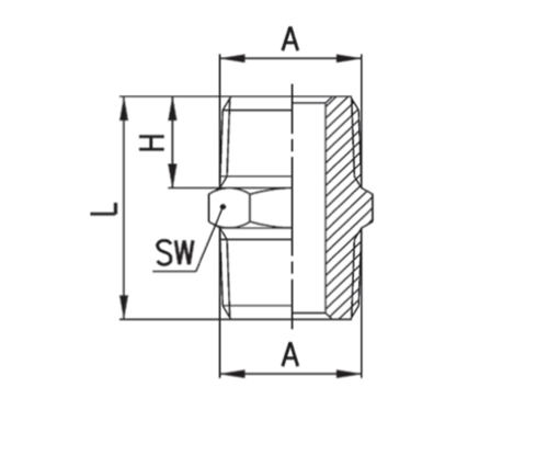
Spesifikasi

BAGIAN#

Ukuran utas a

S.W.

L

H

2500-A

R1/8

12

19.5

7.5

2500-B

R1/4

14

27.0

11.0

2500-c

R3/8

17

28.0

11.5

2500-D

R1/2

22

33.5

14.0

2500-E

R3/4

27

40.0

16.5

2500-F

R1 "

34

45.5

19

Pemasangan pipa puting hidung hex yang ekonomis dan berkualitas tinggi dirancang untuk menyediakan sambungan yang kaku di antara dua pipa dengan benang kering (keselamatan). Ini dapat digunakan dalam sistem air, udara dan minyak, termasuk aplikasi pemanasan dan pendinginan. Bahannya tahan korosi, non-magnetik dan terselektroplated untuk kekuatan dan daya tahan yang lebih besar.

Kontak dengan kami

Tentang DEGINES

Legines Industrial Machinery Inc.

Sebagai produsen fitting kuningan China profesional dan mendorong pemasok perlengkapan. Ini mengadopsi pemesinan CNC penuh dan memiliki area lokakarya 3600 meter persegi. 45 Alat Mesin Otomatis, 35 Peralatan Mesin CNC semi-otomatis, serta distributor, yang telah menjadi pemasok penting untuk produksi suku cadang kuningan Amerika di Cina ...
  • menghormati
  • menghormati

Instruksi & Berita