legines.com
64# Brass Union Tee Compression Fittings

64# Brass Union Tee Compression Fittings

Fitting Kompresi Tee Kuningan 64#

Aplikasi: Pasar:
■■ Saluran udara ■■ Industri
■■ Garis Pelumasan ■■ Kemasan
■■ Garis pendingin ■■ Pneumatik
■■ Industri ■■ Pencetakan
■■ Mesin
■■ Kompresor
■■ Transfer cairan

Fitur Produk:
■■ Memenuhi persyaratan fungsional SAE J-512
■■ UL terdaftar untuk cairan yang mudah terbakar
■■ Tersedia Lengan Kuningan atau Acetal
■■ Tidak ada persiapan tabung
■■ Bentuk palsu dan diekstrusi

Referensi Bagian No:
64 -164C -S64 -64A

Hubungi kami

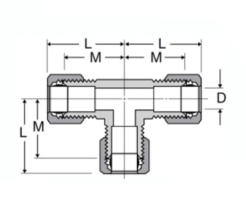
Spesifikasi

BAGIAN#

Ukuran tabung O.D.

M

M

D

64-2

1/8

/

.53

.94

64-3

3/16

/

.59

.125

64-4

1/4

/

.627

.188

64-5

5/16

/

.65

.250

64-6

3/8

/

.73

.312

64-8

1/2

/

.94

.406

64-10

5/8

/

1.06

.500

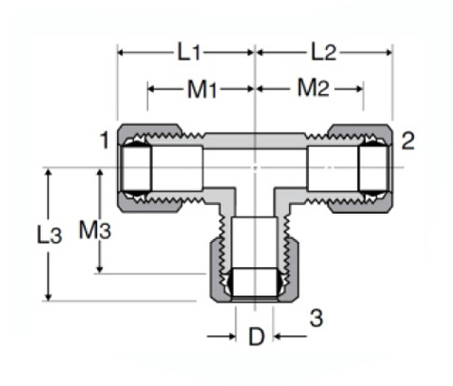
BAGIAN#

Ukuran tabung

M1

M2

M3

64-4-4-6

1/4x1/4x3/8

.69

.69

.75

64-4-6-4

1/4x3/8x1/4

.69

.75

.69

64-6-6-4

3/8x3/8x1/4

.75

.75

.69

64-8-8-6

1/2x1/2x3/8

.94

.94

.81

64-10-10-8

5/8x5/8x1/2

1.06

1.06

1.06

*Ref.SAE No.060401 BA

64 Fitting Kompresif Tee Tee Kuningan Kuningan kami terdaftar untuk cairan yang mudah terbakar dan memenuhi persyaratan fungsional SAE J-512. Tersedia dalam bentuk yang ditempa atau diekstrusi, mereka tersedia dengan benang mesin dan soket dan dalam lengan kuningan atau asetal. Tersedia dengan lengan kuningan atau asetal, semua komponen dirancang untuk pemasangan yang mudah, jadi instalasi Anda berjalan lancar.

Kontak dengan kami

Tentang DEGINES

Legines Industrial Machinery Inc.

Sebagai produsen fitting kuningan China profesional dan mendorong pemasok perlengkapan. Ini mengadopsi pemesinan CNC penuh dan memiliki area lokakarya 3600 meter persegi. 45 Alat Mesin Otomatis, 35 Peralatan Mesin CNC semi-otomatis, serta distributor, yang telah menjadi pemasok penting untuk produksi suku cadang kuningan Amerika di Cina ...
  • menghormati
  • menghormati

Instruksi & Berita