legines.com
72# Brass Male Run Tee Compression Fitting

72# Brass Male Run Tee Compression Fitting

Fitting kompresi tee jantan kuningan 71

Aplikasi: Pasar:
■■ Saluran udara ■■ Industri
■■ Garis Pelumasan ■■ Kemasan
■■ Garis pendingin ■■ Pneumatik
■■ Industri ■■ Pencetakan
■■ Mesin
■■ Kompresor
■■ Transfer cairan

Fitur Produk:
■■ Memenuhi persyaratan fungsional SAE J-512
■■ UL terdaftar untuk cairan yang mudah terbakar
■■ Tersedia Lengan Kuningan atau Acetal
■■ Tidak ada persiapan tabung
■■ Bentuk palsu dan diekstrusi

71 -171c -71a -S71

Hubungi kami

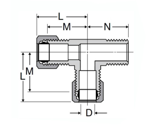
Spesifikasi

BAGIAN#

Tube O.D × NPTF jantan

M

N

D

71-3a

3/16 × 1/8

.63

.69

.125

71-4a

1/4 × 1/8

.63

.75

.188

71-4b

1/4 × 1/4

.69

.88

.188

71-5a

5/16 × 1/8

.72

.75

.250

71-5b

5/16 × 1/4

.75

.88

.250

71-6a

3/8 × 1/8

.75

.75

.312

71-6b

3/8 × 1/4

.79

.87

.312

71-6c

3/8 × 3/8

.88

1.00

.330

71-8C

1/2 × 3/8

.94

1.09

.406

71-8d

1/2 × 1/2

.97

1.19

.406

71-10D

5/8 × 1/2

1.06

1.31

.500

Fitting kompresi Tee Tee 72# kuningan kami memenuhi persyaratan fungsional SAE J-512 dan UL terdaftar untuk cairan yang mudah terbakar. Perlengkapan ini tidak memiliki persiapan tabung, dan bentuk yang dipalsukan dan diekstrusi. Mereka tersedia dalam berbagai bahan termasuk kuningan, plastik dan lengan logam. Fitur lengan kuningan atau asetal dan dapat digunakan dalam berbagai aplikasi seperti undercarriages, transmisi, dan sistem bahan bakar. Tidak diperlukan persiapan tabung.

Kontak dengan kami

Tentang DEGINES

Legines Industrial Machinery Inc.

Sebagai produsen fitting kuningan China profesional dan mendorong pemasok perlengkapan. Ini mengadopsi pemesinan CNC penuh dan memiliki area lokakarya 3600 meter persegi. 45 Alat Mesin Otomatis, 35 Peralatan Mesin CNC semi-otomatis, serta distributor, yang telah menjadi pemasok penting untuk produksi suku cadang kuningan Amerika di Cina ...
  • menghormati
  • menghormati

Instruksi & Berita