legines.com
72# Compression Fittings Tee Cabang Pria

72# Compression Fittings Tee Cabang Pria

Aplikasi: Pasar:
■■ Saluran udara ■■ Industri
■■ Garis Pelumasan ■■ Kemasan
■■ Garis pendingin ■■ Pneumatik
■■ Industri ■■ Pencetakan
■■ Mesin
■■ Kompresor
■■ Transfer cairan

Fitur Produk:
■■ Memenuhi persyaratan fungsional SAE J-512
■■ UL terdaftar untuk cairan yang mudah terbakar
■■ Tersedia Lengan Kuningan atau Acetal
■■ Tidak ada persiapan tabung
■■ Bentuk palsu dan diekstrusi

Referensi Bagian No:
72 -172C -S72 -72A

Hubungi kami

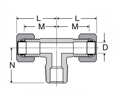
Spesifikasi

BAGIAN#

Tabung o.d × nptf jantan

M

N

D

72-3a

3/16 × 1/8

.63

.69

.125

72-4a

1/4 × 1/8

.63

.75

.188

72-4b

1/4 × 1/4

.69

.88

.188

72-5a

5/16 × 1/8

.72

.75

.250

72-5b

5/16 × 1/4

.75

.88

.250

72-6a

3/8 × 1/8

.75

.75

.312

72-6b

3/8 × 1/4

.79

.87

.312

72-6c

3/8 × 3/8

.88

1.00

.330

72-8C

1/2 × 3/8

.94

1.09

.406

72-8d

1/2 × 1/2

.97

1.19

.406

72-10D

5/8 × 1/2

1.06

1.31

.500

Semua fiting kompresi diproduksi untuk memenuhi atau melampaui persyaratan fungsional SAE J-512 dan UL terdaftar untuk cairan yang mudah terbakar. Mereka terbuat dari paduan aluminium, kuningan atau asetal. Bentuk yang ditempa dan diekstrusi kami memiliki tingkat resistensi yang tinggi terhadap kerusakan yang biasanya terjadi pada perlengkapan yang lebih konvensional. Kami akan membuat bentuk apa pun yang dapat Anda bayangkan dengan diameter maksimum 2 ”.
Fitting kompresi tee cabang jantan adalah fitting tee tipe cabang 90 ° untuk digunakan dengan tembaga, baja tahan karat, dan pipa termoplastik. Siku berputar 360 ° agar lebih mudah terhubung ke sudut dan pipa tee yang keras.

Kontak dengan kami

Tentang DEGINES

Legines Industrial Machinery Inc.

Sebagai produsen fitting kuningan China profesional dan mendorong pemasok perlengkapan. Ini mengadopsi pemesinan CNC penuh dan memiliki area lokakarya 3600 meter persegi. 45 Alat Mesin Otomatis, 35 Peralatan Mesin CNC semi-otomatis, serta distributor, yang telah menjadi pemasok penting untuk produksi suku cadang kuningan Amerika di Cina ...
  • menghormati
  • menghormati

Instruksi & Berita