legines.com
1469# Air Brake Nylon Tubing Elbow Pria

1469# Air Brake Nylon Tubing Elbow Pria

Fitur Produk:
■■ Tubuh kuningan
■■ Bertemu D.O.T. Kinerja FMVSS571.106
■■ Memenuhi persyaratan fungsional SAE J246 & SAE J1131
■■ Sealant utas yang diaplikasikan sebelumnya


Pasar:
■■ Truk tugas berat
■■ Trailer
■■ Mobile


Aplikasi:
■■ Rem Udara
■■ Tangki udara
■■ Naik udara
■■ Slider
■■ Inflasi ban
■■ Garis primer & sekunder
■■ Kontrol CAB

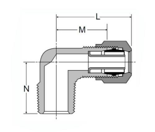
Referensi Bagian No:

69NAB -1469 -S769AB

Hubungi kami

Spesifikasi

BAGIAN# Tabung o.d × nptf jantan M N
1469-4a 1/4 × 1/8 .59 .64
1469-4b 1/4 × 1/4 .68 .87
1469-4C 1/4 × 3/8 .73 .86
1469-6a 3/8 × 1/8 .73 .75
1469-6b 3/8 × 1/4 .73 .87
1469-6C 3/8 × 3/8 .74 .87
1469-6d 3/8 × 1/2 .88 1.05
1469-8B 1/2 × 1/4 .81 .93
1469-8C 1/2 × 3/8 .92 .95
1469-8d 1/2 × 1/2 1.03 1.18
1469-10C 5/8 × 3/8 1.00 1.05
1469-10D 5/8 × 1/2 1.09 1.25
1469-10e 5/8 × 3/4 1.25 1.32
1469-12d 3/4 × 1/2 1.19 1.33
1469-12e 3/4 × 3/4 1.26 1.32

*Ref.SAE No.100202 BA

Tubuh kuningan, bertemu D.O.T. Kinerja FMVSS571.106, Memenuhi Persyaratan Fungsional SAE J246 & SAE J1131, Pasar Sealant Benang Pra-Terjadi: Truk Tugas Berat, Trailer, Aplikasi Seluler: Rem Udara, Tangki Udara, Pengendaraan Udara, Slider, Inflasi Ban, Jalur Primary & Sekunder, Kontrol Kabin Kabin, Kontrol Kabin, Air
Selang rem udara diproduksi dari nilon keras yang diperkuat dengan helix kawat baja dan tabung ply tunggal untuk memenuhi persyaratan spesifikasi Asosiasi Kereta Api Amerika (AAR) 100202. Selang rem udara ini memenuhi persyaratan DOT FMVSS571.106 sehubungan dengan tekanan, suhu dan ketahanan terhadap rupur.
Siku adalah item standar yang digunakan dalam industri rem udara. Ini memberikan tabung rem udara 90 derajat untuk koneksi pria atau wanita (pipa). Ini memiliki tubuh kuningan, silinder metalurgi dan benang.

Kontak dengan kami

Tentang DEGINES

Legines Industrial Machinery Inc.

Sebagai produsen fitting kuningan China profesional dan mendorong pemasok perlengkapan. Ini mengadopsi pemesinan CNC penuh dan memiliki area lokakarya 3600 meter persegi. 45 Alat Mesin Otomatis, 35 Peralatan Mesin CNC semi-otomatis, serta distributor, yang telah menjadi pemasok penting untuk produksi suku cadang kuningan Amerika di Cina ...
  • menghormati
  • menghormati

Instruksi & Berita