legines.com
39# SAE 45 ° Flare Brass Fittings Flare Steker

39# SAE 45 ° Flare Brass Fittings Flare Steker

Fitur Produk:
■■ Semua konstruksi kuningan
■■ Menahan getaran dengan penggunaan kacang panjang
■■ Daftar UL
■■ Persyaratan fungsional SAE J512 dan J513


Pasar: Aplikasi:
■■ Pendinginan ■■ Garis Refrigeran
■■ Truk tugas berat ■■ Propana
■■ Mobile ■■ Bahan bakar
■■ Industri ■■ Adaptor
■■ Pemanas ■■ Gas Alam
■■ AC

Referensi Bagian No:
58 -57 -439 -639f -P2 -PF -2229 -10063 ~ 10069

Hubungi kami

Spesifikasi

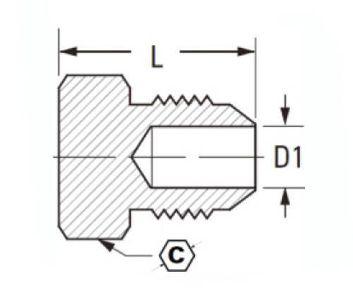
BAGIAN# Tabung O.D. C D1 L
39-2 1/8 7/16 .079 .47
39-3 3/16 1/2 .126 .58
39-4 1/4 9/16 .189 .69
39-5 5/16 5/8 .220 .79
39-6 3/8 3/4 .282 .88
39-8 1/2 7/8 .408 1.06
39-10 5/8 1-1/16 .502 1.19
39-12 3/4 1-5/16 .627 1.30

*Ref.SAE No.010109

Pemasangan Brass Flare SAE 45 ° ini sangat ideal untuk garis pendinginan, AC dan propana. Ini fitur mur panjang untuk ketahanan getaran dan kompatibel dengan standar SAE J512 dan J513. Pemasangan ini terbuat dari kuningan berkualitas tinggi dan diproduksi dengan standar yang tepat untuk memastikan kinerja yang unggul.

Kontak dengan kami

Tentang DEGINES

Legines Industrial Machinery Inc.

Sebagai produsen fitting kuningan China profesional dan mendorong pemasok perlengkapan. Ini mengadopsi pemesinan CNC penuh dan memiliki area lokakarya 3600 meter persegi. 45 Alat Mesin Otomatis, 35 Peralatan Mesin CNC semi-otomatis, serta distributor, yang telah menjadi pemasok penting untuk produksi suku cadang kuningan Amerika di Cina ...
  • menghormati
  • menghormati

Instruksi & Berita