legines.com
3200# Extender Adapter Fittings

3200# Extender Adapter Fittings

Fitur Produk: Pasar:
■■ Semua konstruksi kuningan ■■ Industri
■■ Memenuhi persyaratan fungsional ■■ Konstruksi
SAE J530 dan SAE J531 ■■ Truk tugas berat
■■ Thread dibuat untuk standar dryseal ■■ Mobile
■■ Baik pemandu dan ekstrusi tersedia ■■ Otomatisasi pabrik/proses

Aplikasi: Tubing yang kompatibel:
■■ Saluran udara ■■ Tembaga
■■ Saluran air ■■ Kuningan
■■ Garis pendingin ■■ Pipa besi

Spesifikasi:
Kisaran tekanan hingga 1000 psi
Kisaran suhu -65˚ hingga 250˚F

Aplikasi Khas:
Minyak, bahan bakar, LP dan gas alam, refrigeri. Sistem Instrumentasi dan Hidrolik

Kesesuaian:
Memenuhi spesifikasi dan standar ASA, ASME dan SAE.

Referensi Bagian No:
375 -222p -3200 -R1 -120Ah -120b

Hubungi kami

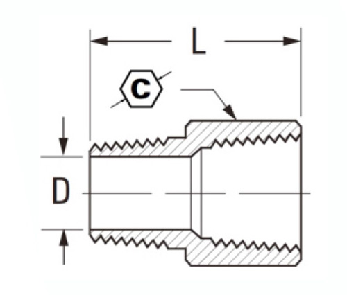
Spesifikasi

BAGIAN#

Ukuran utas

C

F

L

3200-AA

F1/8 × M1/8

1/2

.219

.88

3200L-AA

F1/8 × M1/8

9/16

.219

.83

3200-BA

F1/4 × M1/8

3/4

.219

1.06

3200L-BA

F1/4 × M1/8

11/16

.219

.94

3200ll-BA

F1/4 × M1/8

5/8

.219

.94

3200-BB

F1/4 × M1/4

3/4

.312

1.25

3200L-BB

F1/4 × M1/4

11/16

.312

1.00

3200ll-BB

F1/4 × M1/4

5/8

.312

1.00

3200-CA

F3/8 × M1/8

7/8

.219

1.00

3200-cb

F3/8 × M1/4

7/8

.312

1.25

3200L-CB

F3/8 × M1/4

13/16

.312

1.12

3200-CC

F3/8 × M3/8

7/8

.438

1.24

3200L-CC

F3/8 × M3/8

13/16

.438

1.12

3200-dB

F1/2 × M1/4

1-1/16

.312

1.46

3200-DC

F1/2 × M3/8

1-1/16

.438

1.47

3200L-DC

F1/2 × M3/8

15/16

.438

1.19

3200-DD

F1/2 × M1/2

1-1/16

.562

1.66

3200L-DD

F1/2 × M1/2

15/16

.562

1.31

3200-EC

F3/4 × M3/8

1-1/4

.438

1.59

3200-ed

F3/4 × M1/2

1-1/4

.563

1.69

3200-ee

F3/4 × M3/4

1-1/4

.750

1.69

*L: Cahaya

*Ref.Sae No.130139

Perlengkapan adaptor terbuat dari kedua pengampunan dan ekstrusi dan kompatibel dengan berbagai tubing, termasuk saluran udara, saluran air, dll. Sae J530 dan Sae J531 benang memenuhi persyaratan fungsional pasar truk tugas berat. Kompatibel dengan tabung tembaga dan kuningan, produk ini dapat menangani rentang tekanan hingga 1000 psi. Semua fitting dibuat di AS. Seri 3200 - Seri 200 Fitting Adaptor oleh RSE dirancang untuk memperpanjang panjang pipa. Konstruksi yang tahan lama, semua kuningan membuat konektor ini ideal untuk aplikasi industri, truk, dan seluler. Perlengkapan ini dapat menghubungkan ukuran pipa 2 inci dan memiliki kisaran tekanan antara 500-1000 psi, dengan suhu mulai dari -65˚ hingga 250˚ Fahrenheit. Juga tersedia dalam ukuran dari 1/8 ”hingga 6”. Fitting adaptor Extender 3200# dirancang untuk aplikasi dengan ukuran tabung dari 1/2 "hingga 2". Ini fitur tubuh ferruled yang terbuat dari perunggu yang memberikan perlindungan terhadap korosi, sehingga pemasangan dapat digunakan pada berbagai tingkat tekanan air. Ujung betina berulir dan memiliki tiga sekrup set.

Kontak dengan kami

Tentang DEGINES

Legines Industrial Machinery Inc.

Sebagai produsen fitting kuningan China profesional dan mendorong pemasok perlengkapan. Ini mengadopsi pemesinan CNC penuh dan memiliki area lokakarya 3600 meter persegi. 45 Alat Mesin Otomatis, 35 Peralatan Mesin CNC semi-otomatis, serta distributor, yang telah menjadi pemasok penting untuk produksi suku cadang kuningan Amerika di Cina ...
  • menghormati
  • menghormati

Instruksi & Berita