legines.com
24m Presto Manifold

24m Presto Manifold

Fitur Produk:
■■ Collet kuningan
■■ Buna n O-ring
■■ Dukungan tabung stainless steel
■■ Bertemu D.O.T. FMVSS571.106
■■ Bertemu SAE J2494-3
■■ Tubuh Komposit - Kuat, Ringan, Kompak dan Tahan Dampak
■■ Konfigurasi plug-in

Pasar:
■■ Truk tugas berat
■■ Trailer
■■ Mobile

Aplikasi:
■■ Rem Udara
■■ Tangki udara
■■ Naik udara
■■ Slider
■■ Inflasi ban
■■ Garis primer & sekunder
■■ CAB mengontrol

Hubungi kami

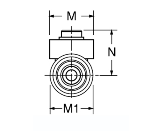
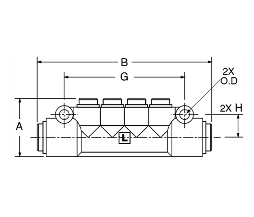
Spesifikasi

BAGIAN

TIDAK.

Tabung O.D.

lnlet

Tabung O.D.

Outlet

A B D G H M M1 N
24M-4-4 1/4 1/4 1.33 3.98 .21 2.75 .53 .90 .88 .89
24M-6-4 3/8 1/4 1.33 4.00 .21 2.75 .53 .90 .88 .89
24M-6-6 3/8 3/8 1.65 6.49 .22 4.55 .60 1.02 1.02 1.33
24M-8-8 1/2 1/2 1.65 6.49 .22 4.55 .60 1.02 1.02 1.33
24M-8-6-4-4-6-8 1/2 3/8 & 1/4 1.65 6.49 .22 4.55 .60 1.02 1.02 1.17

24m Presto Manifold dibangun untuk memberikan layanan yang mudah, cepat dan andal. Badan komposit dengan desain yang kuat, ringan, tahan benturan dan kompak memberikan kekuatan sambil mengurangi jumlah besar. Manifold Presto 24m dirancang untuk memenuhi D.O.T FMVSS571.106, Sae J2494-3 Persyaratan untuk aplikasi bertekanan tinggi. Kemampuan plug & play -nya memungkinkan fleksibilitas maksimum dalam aplikasi apa pun.

Kontak dengan kami

Tentang DEGINES

Legines Industrial Machinery Inc.

Sebagai produsen fitting kuningan China profesional dan mendorong pemasok perlengkapan. Ini mengadopsi pemesinan CNC penuh dan memiliki area lokakarya 3600 meter persegi. 45 Alat Mesin Otomatis, 35 Peralatan Mesin CNC semi-otomatis, serta distributor, yang telah menjadi pemasok penting untuk produksi suku cadang kuningan Amerika di Cina ...
  • menghormati
  • menghormati

Instruksi & Berita