legines.com
1570 D.O.T 90 ° Adaptor siku

1570 D.O.T 90 ° Adaptor siku

Fitur Produk:
■■ Collet kuningan
■■ Buna n O-ring
■■ Dukungan tabung stainless steel
■■ Bertemu D.O.T. FMVSS571.106
■■ Meets Sae J2494 & SAE J2494-3

Pasar:
■■ Truk tugas berat
■■ Trailer
■■ Mobile

Aplikasi:
■■ Rem Udara
■■ Tangki udara
■■ Naik udara
■■ Slider
■■ Inflasi ban
■■ Garis primer & sekunder

Tubing yang kompatibel:
■■ Sae J844 Tipe Nylon Tipe A & B

Referensi Bagian No:
AQ70DOT -170PMT -1870 -DQ70DOT -1570DOT

Hubungi kami

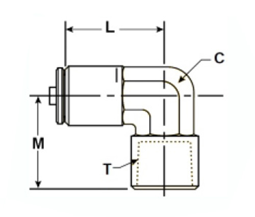
Spesifikasi

BAGIAN#

Tabung o.d × femlae nptf

C

M

L

1570-DOT-4A

1/4 × 1/8

3/8

.82

.92

1570-DOT-4B

1/4 × 1/4

1/2

.94

.102

1570-DOT-4C

1/4 × 3/8

5/8

.98

1.11

1570-DOT-6B

3/8 × 1/4

1/2

.94

.96

1570-DOT-6C

3/8 × 3/8

5/8

.91

.98

1570-DOT-8D

1/2 × 1/2

5/8

1.21

1.14

Adaptor siku SAE J1570 DOT 90 ° fitur collet kuningan dan buna n tipe cincin-O untuk lampiran bebas bocor dan pemasangan yang mudah, sedangkan dukungan tabung stainless steel memastikan daya tahan. Itu bertemu D.O.T. Persyaratan, Memenuhi FMVSS571.106, SAE J2494 & SAE J2494-3 Spesifikasi untuk digunakan dengan tabung nilon Tipe A & B Tipe A & B di truk tugas berat, trailer dan aplikasi seluler. Adapter siku kuningan 90 ° ini adalah koneksi solid antara dua bagian dari 3/16 SAE Air Adapter. Desain profil rendah dari adaptor ini memungkinkannya untuk pas di ruang yang ketat, sementara masih cukup kuat untuk memenuhi spesifikasi DOT. Siku kuningan ini dirancang untuk dipasang di ujung saluran udara Anda, memungkinkan mereka untuk berbelok di tempat -tempat yang ketat. Itu terbuat dari bahan tahan korosi dan berisi tabung pendukung stainless steel yang membuatnya kokoh.

Kontak dengan kami

Tentang DEGINES

Legines Industrial Machinery Inc.

Sebagai produsen fitting kuningan China profesional dan mendorong pemasok perlengkapan. Ini mengadopsi pemesinan CNC penuh dan memiliki area lokakarya 3600 meter persegi. 45 Alat Mesin Otomatis, 35 Peralatan Mesin CNC semi-otomatis, serta distributor, yang telah menjadi pemasok penting untuk produksi suku cadang kuningan Amerika di Cina ...
  • menghormati
  • menghormati

Instruksi & Berita