legines.com
Pipa Stainless Steel Hex Nipple 2520

Pipa Stainless Steel Hex Nipple 2520

Tekanan kerja maksimum 150 psi pada 70 derajat F, Bahan: 304 Stainless Steel
Bentuk: Bushing Reducer (Pria X Wanita), Koneksi: NPT-NPT, Pengukuran: Opsional
Benang NPT untuk membuat segel yang lebih ketat daripada benang lurus
Ini memiliki benang NPT jantan di satu ujung dan benang NPT betina di sisi lain untuk menghubungkan ke betina dan pipa berulir jantan atau pemasangan.
Pemasangan adaptor ini menghubungkan pipa atau alat kelengkapan dengan jenis ujung, diameter, atau bahan yang berbeda

Aplikasi Khas:
Grease, Refrigeration, Instrumentation and Hydraulic Systems.Belak

Keuntungan:
Benang Pipa Dryseal (BSPT (R)/BSP (G). Kisaran Ukuran dan Konfigurasi Large

Hubungi kami

Spesifikasi

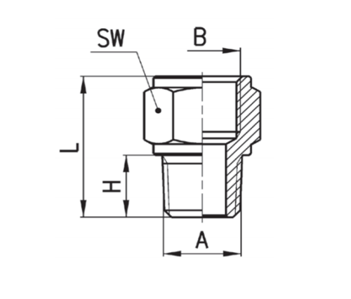
BAGIAN#

Ukuran utas A × B.

S.W.

L

H

2520-AA

R1/8 × G1/8

13

17.5

7.5

2520-ab

R1/8 × G1/4 17 19.0 7.5

2520-AC

R1/8 × G3/8 20 20.0

7.5

2520-BB

R1/4 × G1/4 17 22.5 11.0
2520-BC R1/4 × G3/8 20 23.5 11.0
2520-BD R1/4 × G1/2 24 27.5 11.0
2520-cc R3/8 × G3/8 20 24.0 11.5

2520-cd

R3/8 × G1/2 24 28.0 11.5

2520-dd

R1/2 × G1/2 24 30.5 14.0

Pipa stainless steel adalah bahan fleksibel yang dapat ditekuk dan dibentuk agar sesuai dengan berbagai jenis aplikasi pipa ledeng. Ini biasanya digunakan untuk mengangkut cairan seperti air, udara, uap dan bahan bakar. Salah satu kegunaan paling umum untuk perpipaan stainless steel adalah di dapur komersial, di mana peralatan seperti kompor menampilkan pipa ¾-inci atau 2 inci untuk mendistribusikan panas di seluruh dapur. Banyak rumah perumahan juga menggunakan pipa tembaga ¾-inci untuk keran luar ruangan mereka, yang memungkinkan air mengalir dari jalur pasokan ke rumah dengan cepat.

Kontak dengan kami

Tentang DEGINES

Legines Industrial Machinery Inc.

Sebagai produsen fitting kuningan China profesional dan mendorong pemasok perlengkapan. Ini mengadopsi pemesinan CNC penuh dan memiliki area lokakarya 3600 meter persegi. 45 Alat Mesin Otomatis, 35 Peralatan Mesin CNC semi-otomatis, serta distributor, yang telah menjadi pemasok penting untuk produksi suku cadang kuningan Amerika di Cina ...
  • menghormati
  • menghormati

Instruksi & Berita