legines.com
65# 90 ° Fitting Fitting Kompresi Siku Union Pria

65# 90 ° Fitting Fitting Kompresi Siku Union Pria

Aplikasi: Pasar:
■■ Saluran udara ■■ Industri
■■ Garis Pelumasan ■■ Kemasan
■■ Garis pendingin ■■ Pneumatik
■■ Industri ■■ Pencetakan
■■ Mesin
■■ Kompresor
■■ Transfer cairan

Fitur Produk:
■■ Memenuhi persyaratan fungsional SAE J-512
■■ UL terdaftar untuk cairan yang mudah terbakar
■■ Tersedia Lengan Kuningan atau Acetal
■■ Tidak ada persiapan tabung
■■ Bentuk palsu dan diekstrusi

Referensi Bagian No:
65 -265 -65A -S65

Hubungi kami

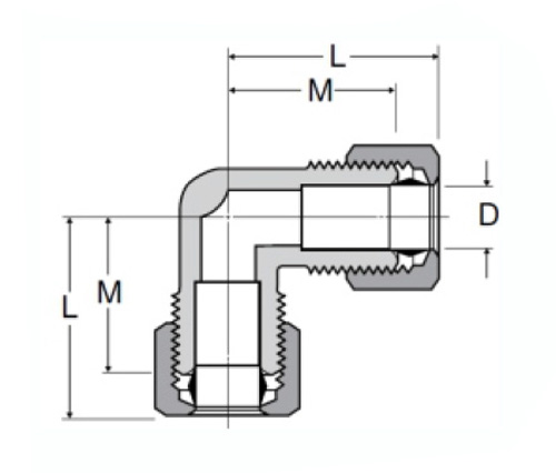
Spesifikasi

PRT# Ukuran tabung O.D. M D
65-3 3/16 .61 .125
65-4 1/4 .66 .188
65-5 5/16 .69 .250
65-6 3/8 .72 .312
65-8 1/2 .94 .406
65-10 5/8 1.06 .500
65-12 3/4 1.19 .562
65-6-4 3/8x1/4 .75/.69 .125
65-8-6 1/2x3/8 .94/.88 .312

Hingga 6 kali lebih ringan dari alat kelengkapan yang ditempa, seri 65 ini memiliki bodi asetal atau kuningan yang ringan dan tahan korosi dan pin tengah kuningan yang ditempa. Pemasangan ini memungkinkan Anda untuk mengadaptasi ujung tabung dengan sudut 90 derajat. Pemasangan ini tersedia dalam banyak bahan dan lapisan akhir termasuk kuningan, stainless steel, dan acetal. Setiap pemasangan dicap dengan nomor bagian, memastikan identifikasi yang mudah di semua titik dalam rantai pasokan. Subsembly siku ini biasanya digunakan dalam sistem bahan bakar di mana tabung tembaga ke koneksi tabung tembaga direkomendasikan. Jumlah benang yang diperlukan untuk membuat koneksi dapat bervariasi berdasarkan bahan pipa, ketebalan dinding dan nada benang.

Kontak dengan kami

Tentang DEGINES

Legines Industrial Machinery Inc.

Sebagai produsen fitting kuningan China profesional dan mendorong pemasok perlengkapan. Ini mengadopsi pemesinan CNC penuh dan memiliki area lokakarya 3600 meter persegi. 45 Alat Mesin Otomatis, 35 Peralatan Mesin CNC semi-otomatis, serta distributor, yang telah menjadi pemasok penting untuk produksi suku cadang kuningan Amerika di Cina ...
  • menghormati
  • menghormati

Instruksi & Berita