legines.com
69# kompresi 90 ° siku jantan kuningan

69# kompresi 90 ° siku jantan kuningan

Aplikasi: Pasar:
■■ Saluran udara ■■ Industri
■■ Garis Pelumasan ■■ Kemasan
■■ Garis pendingin ■■ Pneumatik
■■ Industri ■■ Pencetakan
■■ Mesin
■■ Kompresor
■■ Transfer cairan

Fitur Produk:
■■ Memenuhi persyaratan fungsional SAE J-512
■■ UL terdaftar untuk cairan yang mudah terbakar
■■ Tersedia Lengan Kuningan atau Acetal
■■ Tidak ada persiapan tabung
■■ Bentuk palsu dan diekstrusi

Referensi Bagian No:
69 -169 -S69 -69A

Hubungi kami

Spesifikasi

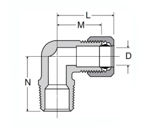
BAGIAN# Tube O.D*NPTF jantan N M
69-2a 1/8*1/8 .68 .59
69-3a 3/16*1/8 .68 .62
69-3b 3/16*1/4 .85 .61
69-4a 1/4*1/8 .75 .62
69-4b 1/4*1/4 .91 .65
69-4C 1/4*3/8 .93 .72
69-4d 1/4*1/2 1.11 .82
69-5a 5/16*1/8 .71 .67
69-5b 5/16*1/4 .82 .66
69-5c 5/16*3/8 .93 .81
69-5d 5/16*1/2 1.12 .82
69-6a 3/8*1/8 .72 .72
69-6b 3/8*1/4 .88 .75
69-6c 3/8*3/8 .93 .81
69-6d 3/8*1/2 1.18 .87
69-8B 1/2*1/4 .97 .88
69-8C 1/2*3/8 1.06 .88
69-8d 1/2*1/2 1.13 .94
69-8E 1/2*3/4 1.25 1.16
69-10c 5/8*3/8 1.25 1.06
69-10D 5/8*1/2 1.31 1.06
69-12d 3/4*1/2 1.31 1.19
69-12e 3/4*3/4 1.38 1.19

*Ref.SAE No.060202 BA

Siku jantan kuningan dan asetal kami dirancang menurut SAE J-512. Ini memenuhi persyaratan fungsional dari spesifikasi itu, dengan sambungan kompresi dan ujung yang terbentuk. Lengan kuningan atau asetal tertanam dalam flensa mesin yang memberikan kekakuan, namun memungkinkan tabung dimasukkan tanpa persiapan.
Fitting siku kuningan jantan 90 ° dirancang untuk menghubungkan tabung tanpa perlu persiapan tabung. Pemasangan universal ini dapat digunakan dengan perlengkapan serupa lainnya untuk membuat sistem perpipaan kompleks yang mudah dirakit dan dipelihara.

Kontak dengan kami

Tentang DEGINES

Legines Industrial Machinery Inc.

Sebagai produsen fitting kuningan China profesional dan mendorong pemasok perlengkapan. Ini mengadopsi pemesinan CNC penuh dan memiliki area lokakarya 3600 meter persegi. 45 Alat Mesin Otomatis, 35 Peralatan Mesin CNC semi-otomatis, serta distributor, yang telah menjadi pemasok penting untuk produksi suku cadang kuningan Amerika di Cina ...
  • menghormati
  • menghormati

Instruksi & Berita