legines.com
44# SAE 45 ° Fited Flare Brass Union Tee Fittings

44# SAE 45 ° Fited Flare Brass Union Tee Fittings

Fitur Produk:
■■ Semua konstruksi kuningan
■■ Menahan getaran dengan penggunaan kacang panjang
■■ Daftar UL
■■ Persyaratan fungsional SAE J512 dan J513


Pasar: Aplikasi:
■■ Pendinginan ■■ Garis Refrigeran
■■ Truk tugas berat ■■ Propana
■■ Mobile ■■ Bahan bakar
■■ Industri ■■ Adaptor
■■ Pemanas ■■ Gas Alam
■■ AC

Referensi Bagian No:
244F -T2 -144F -S144

Hubungi kami

Spesifikasi

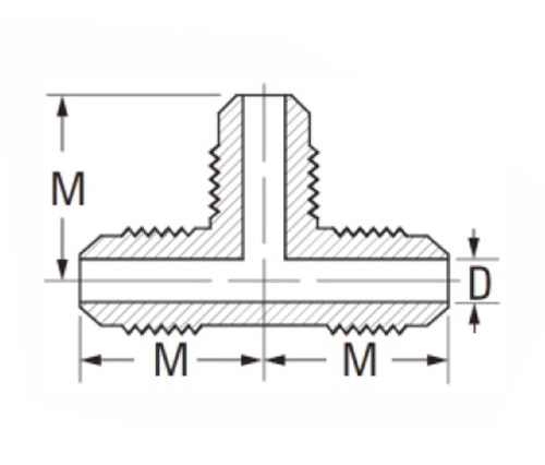
BAGIAN#

Tabung O.D.

D

M

N

44-2

1/8

.079

.67

.67

44-3

3/16

.126

.75

.75

44-4

1/4

.189

.78

.78

44-5

5/16

.219

.91

.91

44-6

3/8

.282

1.00

1.00

44-8

1/2

.408

1.16

1.16

44-10

5/8

.500

1.41

1.41

44-12

3/4

.625

1.64

1.64

*Ref.SAE No.010401

Fitting ujung flared serikat kaki 45 ° kami menawarkan solusi ekonomis untuk aplikasi khusus dengan memanfaatkan alat kelengkapan baja stainless universal kami dengan garis tembaga dan aluminium. Pemasangan ini dirancang untuk digunakan pada tugas menengah, layanan suhu sedang seperti jalur refrigeran dan aplikasi industri. Pemasangan dipoles secara internal untuk memastikan aliran maksimum dan kebersihan garis refrigeran. Wajah Flared memberikan kesesuaian yang aman antara koneksi bergelang dan pipa sambil mempertahankan fleksibilitas di bawah tekanan. Setiap sistem mencakup kacang kuningan yang diperlukan, mesin cuci, segel dan 12.

Kontak dengan kami

Tentang DEGINES

Legines Industrial Machinery Inc.

Sebagai produsen fitting kuningan China profesional dan mendorong pemasok perlengkapan. Ini mengadopsi pemesinan CNC penuh dan memiliki area lokakarya 3600 meter persegi. 45 Alat Mesin Otomatis, 35 Peralatan Mesin CNC semi-otomatis, serta distributor, yang telah menjadi pemasok penting untuk produksi suku cadang kuningan Amerika di Cina ...
  • menghormati
  • menghormati

Instruksi & Berita