legines.com
42# SAE 45 ° Flare Female Connector Brass Flare Fittings

42# SAE 45 ° Flare Female Connector Brass Flare Fittings

Fitur Produk:
■■ Semua konstruksi kuningan
■■ Menahan getaran dengan penggunaan kacang panjang
■■ Daftar UL
■■ Persyaratan fungsional SAE J512 dan J513


Pasar: Aplikasi:
■■ Pendinginan ■■ Garis Refrigeran
■■ Truk tugas berat ■■ Propana
■■ Mobile ■■ Bahan bakar
■■ Industri ■■ Adaptor
■■ Pemanas ■■ Gas Alam
■■ AC

Referensi Bagian No:
46 -U3 -10227-10248

Hubungi kami

Spesifikasi

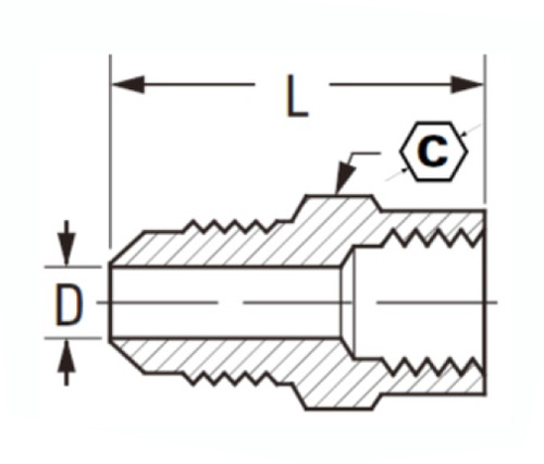
BAGIAN#

Flare O.D × Thread

C

D

L

46-3a

3/16 × 1/8

9/16

.126

.58

46-4a

1/4 × 1/8

9/16

.189

.69

46-4b

1/4 × 1/4

11/16

.189

.79

46L-4B

1/4 × 1/4

11/16

.189

.88

46-4C

1/4 × 3/8

13/16

.189

1.06

46-4d

1/4 × 1/2

15/16

.189

1.31

46-5a

5/16 × 1/8

5/8

.219

1.38

46-5b

5/16 × 1/4

11/16

.219

1.44

46-5c

5/16 × 3/8

13/16

.219

1.69

46-6a

3/8 × 1/8

5/8

.282

1.88

46-6b

3/8 × 1/4

11/16

.282

1.87

46L-6B

3/8 × 1/4

13/16

.282

1.31

46-6c

3/8 × 3/8

13/16

.282

1.44

46-6d

3/8 × 1/2

1 "

.282

1.69

46L-6D

3/8 × 1/2

15/16

.282

1.44

46-8B

1/2 × 1/4

3/4

.408

1.60

46-8C

1/2 × 3/8

13/16

.408

1.62

46L-8C

1/2 × 3/8

13/16

.408

1.46

46-8d

1/2 × 1/2

1 "

.408

1.73

46L-8D

1/2 × 1/2

7/8

.408

1.62

46-8E

1/2 × 3/4

1-3/16

.408

1.75

46-10c

5/8 × 3/8

7/8

.500

1.79

46-10D

5/8 × 1/2

1 "

.500

1.98

46-12d

3/4 × 1/2

1-3/16

.625

2.17

46-12e

3/4 × 3/4

1-3/16

.625

2.08

"L" berarti pola cahaya.

Perlengkapan ini sepenuhnya dapat dipertukarkan dengan perlengkapan pola penuh, tetapi telah dimodifikasi dengan cara insome.

Modifikasi ini biasanya dalam panjang utas pipa, digunakan dalam aplikasi industri dan industri ringan

*Data dimensi dapat berubah tanpa pemberitahuan

*Ref.SAE No.010103

Konektor Flare SAE 45 ° dirancang untuk aplikasi tugas ringan-keum yang membutuhkan keandalan tinggi. 46-U3 digunakan untuk tekanan maksimum 10.000 psi dengan menggunakan selang karet nitril dengan liner neoprene. Konektor ini memiliki kacang berat yang menolak getaran dan memperpanjang masa pakai produk. Fitting Flare Pria SAE menggunakan cincin kunci bayonet yang tidak memerlukan alat khusus untuk mengganti fitting jika terjadi kegagalan atau pemeliharaan.

Kontak dengan kami

Tentang DEGINES

Legines Industrial Machinery Inc.

Sebagai produsen fitting kuningan China profesional dan mendorong pemasok perlengkapan. Ini mengadopsi pemesinan CNC penuh dan memiliki area lokakarya 3600 meter persegi. 45 Alat Mesin Otomatis, 35 Peralatan Mesin CNC semi-otomatis, serta distributor, yang telah menjadi pemasok penting untuk produksi suku cadang kuningan Amerika di Cina ...
  • menghormati
  • menghormati

Instruksi & Berita