legines.com
49# SAE 45 ° Flare Forged 90 ° Fitting Fitting Brass Brass Pria

49# SAE 45 ° Flare Forged 90 ° Fitting Fitting Brass Brass Pria

Fitur Produk:
■■ Semua konstruksi kuningan
■■ Menahan getaran dengan penggunaan kacang panjang
■■ Daftar UL
■■ Persyaratan fungsional SAE J512 dan J513


Pasar: Aplikasi:
■■ Pendinginan ■■ Garis Refrigeran
■■ Truk tugas berat ■■ Propana
■■ Mobile ■■ Bahan bakar
■■ Industri ■■ Adaptor
■■ Pemanas ■■ Gas Alam
■■ AC

Referensi Bagian No:
249f -49 -E1 -149f -10283 hingga 10309 -S49

Hubungi kami

Spesifikasi

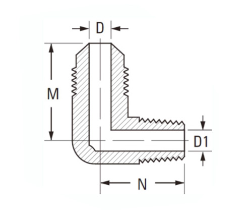
BAGIAN#

Flare O.D × Thread

D1

D

M

N

49-2a

1/8 × 1/8

.219

.126

.63

.73

49-3a

3/16 × 1/8

.219

.126

.75

.75

49-4a

1/4 × 1/8

.219

.189

.81

.76

49-4b

1/4 × 1/4

.312

.189

.88

.94

49-4C

1/4 × 3/8

.438

.189

.92

1.01

49-4d

1/4 × 1/2

.562

.189

1.02

1.09

49-5a

5/16 × 1/8

.219

.219

.91

.88

49-5b

5/16 × 1/4

.312

.219

.95

.95

49-5c

5/16 × 3/8

.438

.219

.98

1.01

49-6a

3/8 × 1/8

.219

.282

1.00

.91

49-6b

3/8 × 1/4

.438

.282

1.06

1.01

49-6c

3/8 × 3/8

.438

.282

1.05

1.08

49-6d

3/8 × 1/2

.562

.282

1.10

1.00

49-8B

1/2 × 1/4

.312

.408

1.19

1.00

49-8C

1/2 × 3/8

.438

.408

1.19

1.00

49-8d

1/2 × 1/2

.562

.408

1.16

1.13

49-8E

1/2 × 3/4

.750

.408

1.38

1.38

49-10b

5/8 × 1/4

.312

.500

1.34

1.22

49-10c

5/8 × 3/8

.438

.500

1.34

1.22

49-10D

5/8 × 1/2

.562

.500

1.35

1.38

49-10e

5/8 × 3/4

.750

.500

1.44

1.38

49-12d

3/4 × 1/2

.562

.625

1.60

1.48

49-12e

3/4 × 3/4

.750

.625

1.60

1.62

*Data dimensi dapat berubah tanpa pemberitahuan

* Ref.SAE No.010202

The 49 series elbow is constructed of high quality brass for long lasting use and fits 1-1/16” NPT flare connections. The tube end connection measures 3/4” and the female connection measures 5/8”.These fittings feature a male flare union nut to help prevent vibration damage, which can happen over time due to the pressure under which these systems operate, ensuring that the fittings remain leak-free.

Kontak dengan kami

Tentang DEGINES

Legines Industrial Machinery Inc.

Sebagai produsen fitting kuningan China profesional dan mendorong pemasok perlengkapan. Ini mengadopsi pemesinan CNC penuh dan memiliki area lokakarya 3600 meter persegi. 45 Alat Mesin Otomatis, 35 Peralatan Mesin CNC semi-otomatis, serta distributor, yang telah menjadi pemasok penting untuk produksi suku cadang kuningan Amerika di Cina ...
  • menghormati
  • menghormati

Instruksi & Berita