legines.com
3325# mengurangi fitting pipa puting hidung

3325# mengurangi fitting pipa puting hidung

Fitur Produk: Pasar:
■■ Semua konstruksi kuningan ■■ Industri
■■ Memenuhi persyaratan fungsional ■■ Konstruksi
SAE J530 dan SAE J531 ■■ Truk tugas berat
■■ Thread dibuat untuk standar dryseal ■■ Mobile
■■ Baik pemandu dan ekstrusi tersedia ■■ Otomatisasi pabrik/proses

Aplikasi: Tubing yang kompatibel:
■■ Saluran udara ■■ Tembaga
■■ Saluran air ■■ Kuningan
■■ Garis pendingin ■■ Pipa besi

Spesifikasi:
Kisaran tekanan hingga 1000 psi
Kisaran suhu -65˚ hingga 250˚F

Aplikasi Khas:
Minyak, bahan bakar, LP dan gas alam, refrigeri. Sistem Instrumentasi dan Hidrolik

Kesesuaian:
Memenuhi spesifikasi dan standar ASA, ASME dan SAE.

Referensi Bagian No:
216p -3325 -379 -122Ah -122b

Hubungi kami

Spesifikasi

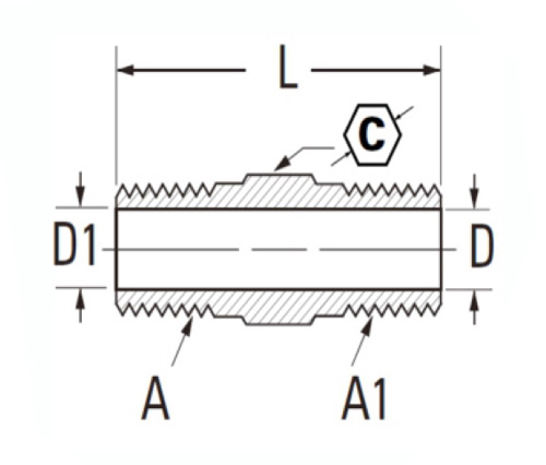
BAGIAN#

Ukuran utas

C

D

D1

L

3325L-AA

1/8 × 1/8

7/16

.219

.219

.91

3325-AA

1/8 × 1/8

7/16

.219

.219

.97

3325L-BA

1/4 × 1/8

9/16

.219

.219

1.00

3325-BA

1/4 × 1/8

91/6

.312

.219

1.19

3325L-BB

1/4 × 1/4

9/16

.312

.312

1.12

3325-BB

1/4 × 1/4

9/16

.312

.312

1.38

3325L-CA

3/8 × 1/8

11/16

.438

.219

1.11

3325-CA

3/8 × 1/8

11/16

.438

.219

1.22

3325L-CB

3/8 × 1/4

11/16

.438

.312

1.19

3325-cb

3/8 × 1/4

11/16

.438

.312

1.41

3325L-CC

3/8 × 3/8

11/16

.438

.438

1.25

3325-CC

3/8 × 3/8

11/16

.438

.438

1.41

3325L-DB

1/2 × 1/4

7/8

.562

.319

1.34

3325-db

1/2 × 1/4

7/8

.562

.319

1.62

3325L-DC

1/2 × 3/8

7/8

.562

.438

1.41

3325-DC

1/2 × 3/8

7/8

.562

.438

1.62

3325L-DD

1/2 × 1/2

7/8

.662

.662

1.50

3325-DD

1/2 × 1/2

7/8

.562

.562

1.81

3325-ed

3/4 × 1/2

1-1/16

.750

.562

1.50

3325-ee

3/4 × 3/4

1-1/16

.750

.750

1.96

3325-hh

1 "× 1"

1-3/8

.960

.960

2.30

* L: Cahaya

*Ref.Sae No.130137

3325 Seri kami mengurangi fitting pipa puting HEX dibuat dengan paduan kuningan yang 100% bebas timbal. Kami menawarkan kedua pemandu dan ekstrusi pemasangan ini. Setiap puting diproduksi untuk memenuhi persyaratan fungsional SAE J530 atau SAE J531, keduanya pasar truk tugas berat. Nipples pipa 3325 serial yang ditempa tersedia di benang ukuran besar dan standar. Puting -puting ini kompatibel dengan tembaga, kuningan dan tabung besi mulai dari ¼ ”hingga ½” Jadwal 40. Insinyur penjualan pabrik kami akan membantu Anda memastikan Anda memiliki pemasangan yang tepat untuk pekerjaan Anda! Pemasangan pipa puting pereduksi seri 3325 digunakan untuk mengurangi ukuran pipa berdiameter luar. Seri 3325 ini menampilkan pengampunan konstruksi kuningan dan dilengkapi dengan sertifikasi NACE serta tanda A-607, AWS dan ASME Stamping di bagian depan. Tersedia dalam tekanan yang berbeda hingga 1000 psi.
Mengurangi perlengkapan pipa puting hidung sangat ideal untuk sebagian besar aplikasi. Mereka menyediakan desain yang ringkas dan hemat ruang dan digunakan untuk bergabung dengan sistem perpipaan bersama. Konektor pria dan wanita ini terbuat dari bahan kuningan tempa yang kuat dan dilengkapi dengan benang mesin presisi untuk memastikan operasi yang lancar.

Kontak dengan kami

Tentang DEGINES

Legines Industrial Machinery Inc.

Sebagai produsen fitting kuningan China profesional dan mendorong pemasok perlengkapan. Ini mengadopsi pemesinan CNC penuh dan memiliki area lokakarya 3600 meter persegi. 45 Alat Mesin Otomatis, 35 Peralatan Mesin CNC semi-otomatis, serta distributor, yang telah menjadi pemasok penting untuk produksi suku cadang kuningan Amerika di Cina ...
  • menghormati
  • menghormati

Instruksi & Berita