legines.com
3350# 45 derajat Fitting Pipa Kuningan Siku Jalanan

3350# 45 derajat Fitting Pipa Kuningan Siku Jalanan

Fitur Produk: Pasar:
■■ Semua konstruksi kuningan ■■ Industri
■■ Memenuhi persyaratan fungsional ■■ Konstruksi
SAE J530 dan SAE J531 ■■ Truk tugas berat
■■ Thread dibuat untuk standar dryseal ■■ Mobile
■■ Baik pemandu dan ekstrusi tersedia ■■ Otomatisasi pabrik/proses

Aplikasi: Tubing yang kompatibel:
■■ Saluran udara ■■ Tembaga
■■ Saluran air ■■ Kuningan
■■ Garis pendingin ■■ Pipa besi

Spesifikasi:
Kisaran tekanan hingga 1000 psi
Kisaran suhu -65˚ hingga 250˚F

Aplikasi Khas:
Minyak, bahan bakar, LP dan gas alam, refrigeri. Sistem Instrumentasi dan Hidrolik

Kesesuaian:
Memenuhi spesifikasi dan standar ASA, ASME dan SAE.

Referensi Bagian No:
306 -3350 -2214p -224 -124a

Hubungi kami

Spesifikasi

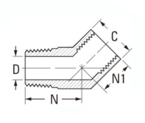
BAGIAN# Ukuran utas C D N N1
3350-A 1/8 × 1/8 9/16 .219 .50 .38
3350-B 1/4 × 1/4 11/16 .315 .74 .56
3350-C 3/8 × 3/8 13/16 .438 .78 .56
3350-D 1/2 × 1/2 1 " .562 1.00 .76
3350-e 3/4 × 3/4 1 "-1/4 .750 1.06 .75

*Ref.Sae No.130339

3350 adalah pemasangan berbentuk siku jalanan 45 derajat. Fitting dibuat untuk digunakan dengan berbagai bahan perpipaan yang berbeda dan dapat menahan hingga 1000 psi. Ini juga memiliki kisaran suhu operasi antara -65˚ dan 250˚F. Perlengkapan pipa kuningan siku 45 derajat kami dibuat dengan spesifikasi yang tepat oleh tim perakit berpengalaman kami. Siku jalan adalah pemasangan pipa yang memiliki dua benang pipa di satu ujung dan ujung lainnya memiliki tikungan 90 ° di dalam pipa. Siku jalanan digunakan di berbagai industri mulai dari pipa ledeng hingga transportasi. Siku jalanan dibuat dalam konfigurasi perempuan atau laki -laki untuk meningkatkan aliran cairan atau gas di atas berbagai tekanan, suhu dan ukuran garis sesuai kebutuhan oleh pelanggan.

Kontak dengan kami

Tentang DEGINES

Legines Industrial Machinery Inc.

Sebagai produsen fitting kuningan China profesional dan mendorong pemasok perlengkapan. Ini mengadopsi pemesinan CNC penuh dan memiliki area lokakarya 3600 meter persegi. 45 Alat Mesin Otomatis, 35 Peralatan Mesin CNC semi-otomatis, serta distributor, yang telah menjadi pemasok penting untuk produksi suku cadang kuningan Amerika di Cina ...
  • menghormati
  • menghormati

Instruksi & Berita