legines.com
3750# Fitting Kuningan Jalan Run Tee Tee Brass Pipe Fittings

3750# Fitting Kuningan Jalan Run Tee Tee Brass Pipe Fittings

Fitur Produk: Pasar:
■■ Semua konstruksi kuningan ■■ Industri
■■ Memenuhi persyaratan fungsional ■■ Konstruksi
SAE J530 dan SAE J531 ■■ Truk tugas berat
■■ Thread dibuat untuk standar dryseal ■■ Mobile
■■ Baik pemandu dan ekstrusi tersedia ■■ Otomatisasi pabrik/proses

Aplikasi: Tubing yang kompatibel:
■■ Saluran udara ■■ Tembaga
■■ Saluran air ■■ Kuningan
■■ Garis pendingin ■■ Pipa besi

Spesifikasi:
Kisaran tekanan hingga 1000 psi
Kisaran suhu -65˚ hingga 250˚F

Aplikasi Khas:
Minyak, bahan bakar, LP dan gas alam, refrigeri. Sistem Instrumentasi dan Hidrolik

Kesesuaian:
Memenuhi spesifikasi dan standar ASA, ASME dan SAE.

Referensi Bagian No:
2225p -225 -3750 -326 -225 -127a -28245 ~ 28249

Hubungi kami

Spesifikasi

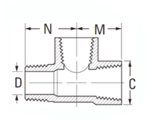
BAGIAN#

Ukuran utas

C

D

M

N

3750-A

1/8

9/16

.219

.55

.66

3750-B

1/4

11/16

.312

.78

.90

3750-C

3/8

13/16

.438

.84

.97

3750-D

1/2

1 "

.562

1.09

1.25

3750-E

3/4

1 "-1/4

.750

1.38

1.38

*Ref.sae.no.130424

#3750 fitting tee run pria diproduksi dari kuningan dan memenuhi kebutuhan industri, otomatisasi pabrik/proses, dan aplikasi seluler. Mereka menyediakan koneksi untuk saluran udara bertekanan. Tubing yang kompatibel tersedia dalam pipa tembaga, kuningan, dan besi. Pasar meliputi pasar konstruksi, industri dan truk tugas berat. Bahan yang kompatibel termasuk saluran udara, saluran air dan saluran pendingin. Perlengkapan kuningan ini datang pada pria dan wanita untuk kenyamanan Anda. Bahan -bahannya cukup kuat untuk bertahan hingga bocor dan memaksa, membuatnya ideal untuk kondisi cuaca apa pun.  Setiap pemasangan dibuat dengan tabung tembaga, kuningan dan bahan berkualitas lainnya yang membawa kekuatan, daya tahan, dan umur panjang ke bagian tersebut.

Kontak dengan kami

Tentang DEGINES

Legines Industrial Machinery Inc.

Sebagai produsen fitting kuningan China profesional dan mendorong pemasok perlengkapan. Ini mengadopsi pemesinan CNC penuh dan memiliki area lokakarya 3600 meter persegi. 45 Alat Mesin Otomatis, 35 Peralatan Mesin CNC semi-otomatis, serta distributor, yang telah menjadi pemasok penting untuk produksi suku cadang kuningan Amerika di Cina ...
  • menghormati
  • menghormati

Instruksi & Berita