legines.com
1565 Push in Connect Fittings Elbow

1565 Push in Connect Fittings Elbow

Fitur Produk:
■■ Collet kuningan
■■ Buna n O-ring
■■ Dukungan tabung stainless steel
■■ Bertemu D.O.T. FMVSS571.106
■■ Meets Sae J2494 & SAE J2494-3

Pasar:
■■ Truk tugas berat
■■ Trailer
■■ Mobile

Aplikasi:
■■ Rem Udara
■■ Tangki udara
■■ Naik udara
■■ Slider
■■ Inflasi ban
■■ Garis primer & sekunder

Tubing yang kompatibel:
■■ Sae J844 Tipe Nylon Tipe A & B

Referensi Bagian No:
AQ65DOT -165PMT -1865 -DQ65DOT -1565 -DOT

Hubungi kami

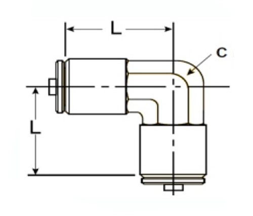
Spesifikasi

BAGIAN# Tabung O.D. C L
1565-DOT-4 1/4 3/8 .92
1565-DOT-6 3/8 1/2 .96
1565-DOT-8 1/2 5/8 1.16
1565-DOT-10 5/8 11/16 1.19
1565-DOT-12 3/4 15/16 1.40

Dorong pemasangan untuk tabung nilon Sae J844 Tipe A, B, C dan D. Digunakan dengan buna-cincin-O dan penyangga tabung stainless steel untuk memungkinkan pemasangan selang yang aman seperti rem udara, saluran power steering dan banyak lagi. Pemasangan diproduksi dengan bahan berkualitas tinggi untuk memastikan fungsionalitas yang tepat dan umur panjang.1565 Push in Connect Fittings Elbow adalah pemasangan yang digunakan dengan tabung karet. Ini memiliki collet kuningan. Fitting ini diproduksi oleh TUSA P/N: 1565-DOT.PNEUMATIC Connect Fitting digunakan bersama dengan tubing untuk membuat perakitan bebas, permanen atau sementara yang menggunakan komponen pneumatik standar.

Kontak dengan kami

Tentang DEGINES

Legines Industrial Machinery Inc.

Sebagai produsen fitting kuningan China profesional dan mendorong pemasok perlengkapan. Ini mengadopsi pemesinan CNC penuh dan memiliki area lokakarya 3600 meter persegi. 45 Alat Mesin Otomatis, 35 Peralatan Mesin CNC semi-otomatis, serta distributor, yang telah menjadi pemasok penting untuk produksi suku cadang kuningan Amerika di Cina ...
  • menghormati
  • menghormati

Instruksi & Berita