legines.com
131 Steel Inverted Line Line Steker

131 Steel Inverted Line Line Steker

Fitur Produk:
■■ Semua konstruksi kuningan
■■ UL terdaftar untuk cairan dan gas yang mudah terbakar
■■ Memenuhi persyaratan fungsional SAE J512
■■ Kacang baja untuk ekonomi

Pasar: Aplikasi:
■■ AC ■■ Garis Refrigeran
■■ Laut ■■ Garis rem
■■ Mobile ■■ Garis Bahan Bakar
■■ Mesin

Tubing yang kompatibel:
■■ Tembaga
■■ Kuningan
■■ Aluminium
■■ Tubing hidrolik baja las

Hubungi kami

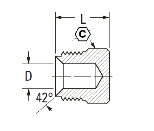
Spesifikasi

BAGIAN#

Tabung O.D.

C

D

L

131-3

3/16 3/8 .188

.53

131-4

1/4 7/16 .188 .54

131-5

5/16 1/2 .250 .59

131-6

3/8 5/8 .312 .66

*Ref.SAE No.040109 BA

Seri 131 fitting garis rem terbalik kuningan kami dirancang khusus untuk garis gas dan bahan bakar. Desain terbalik menyediakan koneksi bebas bocor dalam aplikasi yang ketat.
Sumbat garis rem 131 baja terbalik adalah busi yang kompatibel dengan api atau bensin yang kompatibel dengan air mani yang dirancang untuk menyegel ujung terminal tubing fleksibel. Itu terbuat dari baja berlapis seng untuk ketahanan korosi dan sisipan plastik integral yang menawarkan kekuatan terhadap distorsi. Juga tersedia dengan konstruksi kuningan.
Produk ini adalah steker berlapis kuningan dan baja dengan fitting flare terbalik. Itu dibuat untuk menerima tabung 1/8. Dimensi adalah 0,53 "diameter dengan 0,54" dalam, gaya steker ini hanya dapat digunakan pada tabung tembaga, baja dan aluminium.
Ekonomi sering kali menjadi nama permainan dalam aplikasi garis rem. Dan tidak ada cara yang lebih baik untuk menghemat uang daripada dengan steker saluran ini yang menjauhkan udara segar dari garis Anda, namun terlihat hebat dan akan bertahan selama bertahun -tahun yang akan datang. Dengan kacang baja dan laras kuningan, ini pasti akan memenuhi kebutuhan Anda.

Kontak dengan kami

Tentang DEGINES

Legines Industrial Machinery Inc.

Sebagai produsen fitting kuningan China profesional dan mendorong pemasok perlengkapan. Ini mengadopsi pemesinan CNC penuh dan memiliki area lokakarya 3600 meter persegi. 45 Alat Mesin Otomatis, 35 Peralatan Mesin CNC semi-otomatis, serta distributor, yang telah menjadi pemasok penting untuk produksi suku cadang kuningan Amerika di Cina ...
  • menghormati
  • menghormati

Instruksi & Berita