legines.com
105 fitting suar mur tabung baja

105 fitting suar mur tabung baja

Fitur Produk:
■■ Semua konstruksi kuningan
■■ UL terdaftar untuk cairan dan gas yang mudah terbakar
■■ Memenuhi persyaratan fungsional SAE J512
■■ Kacang baja untuk ekonomi

Pasar: Aplikasi:
■■ AC ■■ Garis Refrigeran
■■ Laut ■■ Garis rem
■■ Mobile ■■ Garis Bahan Bakar
■■ Mesin

Tubing yang kompatibel:
■■ Tembaga
■■ Kuningan
■■ Aluminium
■■ Tubing hidrolik baja las

Referensi Bagian No:
2015 -411FS -105 -41W

Hubungi kami

Spesifikasi

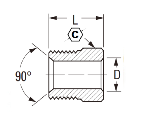
BAGIAN#

Tabung O.D.

C

D

L

105-3

3/16 5/16 .196

.56

105-4

1/4 3/8 .259 .56

105-5

5/16 7/16 .321 .62

105-6

3/8 5/8 .384 .66

105-8

1/2

3/4

.508

.74

105-10

5/8

7/8

.632

.80

105-12

3/4

1-1/16

.757

.88

Seri 105 adalah pemasangan suar berbiaya rendah. Itu terbuat dari kuningan, dan memiliki fitur cairan dan garis gas yang mudah terbakar. Seri 105 termasuk Nuts For Economy, yang tersedia dalam banyak ukuran. Ini juga menawarkan kompatibilitas dengan banyak bahan tabung termasuk tembaga, kuningan, aluminium, dan tabung hidrolik baja yang dilas.
Bagian No: 2015 - 411FS - 105 - 41W telah diproduksi oleh Miller Welder untuk membantu membuat lingkungan industri dan komersial lebih aman, lebih efisien dan terjangkau. Bagian no.: 2015 - 411fs - 105 - 41W dinilai UL untuk cairan dan gas yang mudah terbakar. Produk ini terbuat dari kuningan kelas tinggi yang tidak akan berkarat atau karat yang digunakan.
Fitting Flare Kacang Tabung Baja 105 memberikan produk yang tahan lama dengan pemasangan NPT jantan 1/2 "dan suar 3/8". Itu terbuat dari semua konstruksi kuningan berkualitas tinggi, memenuhi atau melampaui semua kode yang relevan dari ANSI B16.11 dan SAE J512. Produk ini dirancang untuk digunakan dalam aplikasi berikut: AC (termasuk jalur AC otomotif), saluran refrigeran dan saluran minyak refrigeran, laut, jalur rem, saluran bahan bakar mobile, mesin, dll.
3/4 "x 3/4" x 8 "Kacang Baja ini Fitting dengan Gasket Segel Tekanan ini dapat membantu Anda mendapatkan keandalan, daya tahan dan keamanan yang Anda tuntut dari saluran tubing industri Anda. Badan kuningan dan putar kuningan yang kokoh membuat pemasangan ini sangat tahan lama, sementara kacang baja bebas bocor membantu mencegah masalah korosi.

Kontak dengan kami

Tentang DEGINES

Legines Industrial Machinery Inc.

Sebagai produsen fitting kuningan China profesional dan mendorong pemasok perlengkapan. Ini mengadopsi pemesinan CNC penuh dan memiliki area lokakarya 3600 meter persegi. 45 Alat Mesin Otomatis, 35 Peralatan Mesin CNC semi-otomatis, serta distributor, yang telah menjadi pemasok penting untuk produksi suku cadang kuningan Amerika di Cina ...
  • menghormati
  • menghormati

Instruksi & Berita