legines.com
302 Fitting Union Line Brass Brass

302 Fitting Union Line Brass Brass

Fitur Produk:
■■ Semua konstruksi kuningan
■■ UL terdaftar untuk cairan dan gas yang mudah terbakar
■■ Memenuhi persyaratan fungsional SAE J512
■■ Kacang baja untuk ekonomi

Pasar: Aplikasi:
■■ AC ■■ Garis Refrigeran
■■ Laut ■■ Garis rem
■■ Mobile ■■ Garis Bahan Bakar
■■ Mesin

Tubing yang kompatibel:
■■ Tembaga
■■ Kuningan
■■ Aluminium
■■ Tubing hidrolik baja las

Referensi Bagian No:
302 -2300 -42IFHD

Hubungi kami

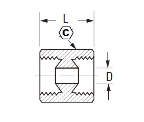
Spesifikasi

BAGIAN#

Inv.flare × Inv.flare

C

D

L

302-2

1/8 13/32 .78

.59

302-3

3/16 15/32 .125

.62

302-4 1/4 17/32 .188 .62

302-5

5/16 19/32 .219 .70

302-6

3/8 3/4 .281 .80
302-8 1/2

29/32

.406

.91

*Ref.SAE No.040101 BA

Pemasangan serikat ini digunakan untuk semua jenis aplikasi seperti saluran pendingin udara, saluran refrigeran, kelautan, saluran bahan bakar seluler, mesin dan transmisi. Ini terdiri dari konstruksi kuningan dan memiliki kacang baja untuk ekonomi.
Pemasangan line line fleksibel kuningan 302-series digunakan untuk menghubungkan bagian-bagian tabung dengan suar. Seri 302 sangat ideal untuk saluran rem, saluran bahan bakar, dan saluran pendingin. Kacang baja digunakan untuk mengamankan persatuan garis di tempatnya. Seri 302 dirancang untuk digunakan dengan tabung tembaga dan aluminium.
Pemasangan serikat kuningan ini memungkinkan Anda untuk menghubungkan bagian tubing dengan cepat dan andal. Itu terbuat dari kuningan, yang tahan panas dan bebas korosi. Mudah untuk dipasang, berkat paking karet Norprene -nya yang menyediakan segel ketat di antara fitting ujung, mengurangi kebocoran atau kebocoran. Pemasangan Union kompatibel dengan tabung yang terbuat dari tembaga, kuningan atau aluminium.
Persatuan ini menyediakan sarana untuk koneksi dua potong tabung. Badan utama terbuat dari kuningan dengan kacang baja untuk ekonomi. Taling masuk bertabur yang diikat ke dalam satu tabung pas di alur di tubuh penyatuan penyatuan, dan meleleh ke suar kuningan. Tabung kedua melewati alur eksternal untuk diikat dengan aman oleh pin internal yang juga dapat ditempatkan ke alurnya sendiri jika diinginkan.

Kontak dengan kami

Tentang DEGINES

Legines Industrial Machinery Inc.

Sebagai produsen fitting kuningan China profesional dan mendorong pemasok perlengkapan. Ini mengadopsi pemesinan CNC penuh dan memiliki area lokakarya 3600 meter persegi. 45 Alat Mesin Otomatis, 35 Peralatan Mesin CNC semi-otomatis, serta distributor, yang telah menjadi pemasok penting untuk produksi suku cadang kuningan Amerika di Cina ...
  • menghormati
  • menghormati

Instruksi & Berita