legines.com
3400# Fitting Pipa Kuningan 90 Derajat Siku Jalanan

3400# Fitting Pipa Kuningan 90 Derajat Siku Jalanan

Fitur Produk: Pasar:
■■ Semua konstruksi kuningan ■■ Industri
■■ Memenuhi persyaratan fungsional ■■ Konstruksi
SAE J530 dan SAE J531 ■■ Truk tugas berat
■■ Thread dibuat untuk standar dryseal ■■ Mobile
■■ Baik pemandu dan ekstrusi tersedia ■■ Otomatisasi pabrik/proses

Aplikasi: Tubing yang kompatibel:
■■ Saluran udara ■■ Tembaga
■■ Saluran air ■■ Kuningan
■■ Garis pendingin ■■ Pipa besi

Spesifikasi:
Kisaran tekanan hingga 1000 psi
Kisaran suhu -65˚ hingga 250˚F

Aplikasi Khas:
Minyak, bahan bakar, LP dan gas alam, refrigeri. Sistem Instrumentasi dan Hidrolik

Kesesuaian:
Memenuhi spesifikasi dan standar ASA, ASME dan SAE.

Referensi Bagian No:
2202p -3400 -304 -115 -202 -116a -28156 hingga 2816

Hubungi kami

Spesifikasi

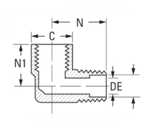
BAGIAN# Ukuran utas C D N N1
3400-AA 1/8 × 1/8 9/16 .219 .66 .47
3400-BB 1/4 × 1/4 11/16 .315 .91 .72
3400-CC 3/8 × 3/8 13/16 .438 .97 .78
3400-DD 1/2 × 1/2 1 " .562 1.25 1.03
3400-ee 3/4 × 3/4 1-1/4 .750 1.38 1.12

Ref.Sae No.130239

3400# Fitting Pipa Kuningan 90 Derajat Siku Jalanan terbuat dari semua konstruksi kuningan dan kompatibel dengan kedua pengampunan dan ekstrusi; Perlengkapan kelas industri yang memenuhi persyaratan fungsional SAE J530 dan SAE J531; Pasar: Konstruksi, truk tugas berat dan ponsel. Kedua standar diikuti untuk bekerja pada aplikasi seluler yang merupakan termoplastik karet (TPR) telah dikembangkan untuk digunakan dalam aplikasi otomotif, industri dan komersial di mana CPVC tidak kompatibel. Siku jalanan lasan ini akhir 90 derajat cocok untuk digunakan dalam sistem hidrolik, terutama ketika bekerja di bawah tekanan ekstrem. Ini tersedia dalam berbagai ukuran dan memiliki ketahanan korosi yang luar biasa. Pemasangan ini digunakan untuk menghubungkan saluran udara yang terdiri dari tabung tembaga. Ini memiliki sudut 90 derajat dan terbuat dari kuningan, sehingga dapat menahan kondisi cuaca yang keras.

Kontak dengan kami

Tentang DEGINES

Legines Industrial Machinery Inc.

Sebagai produsen fitting kuningan China profesional dan mendorong pemasok perlengkapan. Ini mengadopsi pemesinan CNC penuh dan memiliki area lokakarya 3600 meter persegi. 45 Alat Mesin Otomatis, 35 Peralatan Mesin CNC semi-otomatis, serta distributor, yang telah menjadi pemasok penting untuk produksi suku cadang kuningan Amerika di Cina ...
  • menghormati
  • menghormati

Instruksi & Berita