legines.com
352 Brass terbalik Flare 45 ° siku jantan

352 Brass terbalik Flare 45 ° siku jantan

Fitur Produk:
■■ Semua konstruksi kuningan
■■ UL terdaftar untuk cairan dan gas yang mudah terbakar
■■ Memenuhi persyaratan fungsional SAE J512
■■ Kacang baja untuk ekonomi

Pasar: Aplikasi:
■■ AC ■■ Garis Refrigeran
■■ Laut ■■ Garis rem
■■ Mobile ■■ Garis Bahan Bakar
■■ Mesin

Tubing yang kompatibel:
■■ Tembaga
■■ Kuningan
■■ Aluminium
■■ Tubing hidrolik baja las

Referensi Bagian No:
154 -2352 -259IFHD -352 -94W

Hubungi kami

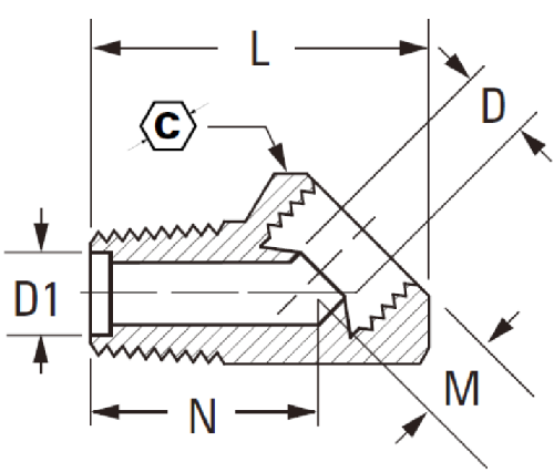
Spesifikasi

BAGIAN#

Tube O.D × Thread

C

D

L

352-3a

3/16 × 1/8 17/32 .125 .88

352-4a

1/4 × 1/8 9/16 .188 .94

352-5A

5/16 × 1/8 5/8 .219 1.00

352-5b

5/16 × 1/4 5/8 .219 1.16

352-6b

3/8 × 1/4 25/32 .281 1.34

352-8C

1/2 × 3/8 7/8 .406 1.44

*Ref.SAE No.040302 BA

352 Brass terbalik Flare 45 ° siku jantan (SAE J512) dirancang untuk digunakan dalam AC, saluran refrigeran, aplikasi kelautan dan seluler. Siku ini memiliki pemasangan suar pria dengan mur slip-on untuk pemasangan yang mudah. SaE SaE J512 Pria 45 derajat siku Flare Slbow dibangun dari semua kuningan kecuali untuk mur baja yang memberikan daya tahan dan keterjangkauan.
352 Brass Terbalik Flare 45 ° Siku jantan dirancang untuk gas dan cairan, dan memenuhi persyaratan fungsional SAE J512 dalam ukuran 1/8 "hingga 1". Berukuran 0,94 "dalam diameter luar.
Pemasangan tabung 3⁄16 inci ini dan menawarkan tikungan siku 45˚.  Pemasangan ini cocok untuk AC standar, aplikasi pendingin dan hidrolik, serta industri mobile atau kelautan.

Kontak dengan kami

Tentang DEGINES

Legines Industrial Machinery Inc.

Sebagai produsen fitting kuningan China profesional dan mendorong pemasok perlengkapan. Ini mengadopsi pemesinan CNC penuh dan memiliki area lokakarya 3600 meter persegi. 45 Alat Mesin Otomatis, 35 Peralatan Mesin CNC semi-otomatis, serta distributor, yang telah menjadi pemasok penting untuk produksi suku cadang kuningan Amerika di Cina ...
  • menghormati
  • menghormati

Instruksi & Berita