legines.com
402 Flare terbalik 90 ° Fitting siku jantan

402 Flare terbalik 90 ° Fitting siku jantan

Fitur Produk:
■■ Semua konstruksi kuningan
■■ UL terdaftar untuk cairan dan gas yang mudah terbakar
■■ Memenuhi persyaratan fungsional SAE J512
■■ Kacang baja untuk ekonomi

Pasar: Aplikasi:
■■ AC ■■ Garis Refrigeran
■■ Laut ■■ Garis rem
■■ Mobile ■■ Garis Bahan Bakar
■■ Mesin

Tubing yang kompatibel:
■■ Tembaga
■■ Kuningan
■■ Aluminium
■■ Tubing hidrolik baja las

Referensi Bagian No:
4000 -2400 -2491IFHD -2491IF -49W

Hubungi kami

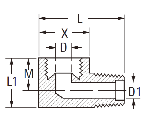
Spesifikasi

BAGIAN#

Tabung o.d × benang pria

X

D

L

402-2a

1/8 × 1/8 .42 .078 .80

402-3a

3/16 × 1/8 .47 .125 .70

402-4a

1/4 × 1/8 .53 .188 .74

402-4b

1/4 × 1/4 .56 .188 .89

402-5a

5/16 × 1/8 .59 .219 .79

402-5b

5/16 × 1/4 .59 .220 .98

402-6a

3/8 × 1/8 .76 .281 .89

402-6b

3/8 × 1/4 .76 .281 1.03

402-6c

3/8 × 3/8 .75 .281 1.01

402-8B

1/2 × 1/4 .91 .406 1.08

402-8C

1/2 × 3/8 .92 .406 1.07
402-8d 1/2 × 1/2 .91 .406 1.26
402-10D 5/8 × 1/2 1.06 .531 1.32

*Ref.SAE No.040202 BA

Siku 90 ° menyala memungkinkan Anda dengan mudah menghubungkan dua garis pada sudut kanan. Mereka digunakan untuk mengubah arah dalam air, pendingin udara dan saluran refrigeran, saluran rem dan saluran bahan bakar. Konstruksi semua-kuningan dan mur baja membuatnya ideal untuk digunakan dengan selang karet hidrolik baja.
Siku flare 90 ° ini adalah semua konstruksi kuningan, UL terdaftar untuk cairan dan gas yang mudah terbakar, memenuhi persyaratan fungsional SAE J512, 1/8 "x1/8" tabung hingga 1/2 "x1/2" fitting jantan. Kacang baja untuk ekonomi yang memenuhi standar produsen mobil OEM.
Ini adalah pemasangan siku jantan NPT yang dibangun dari kuningan dan digunakan dalam pipa ledeng. Pemasangan ini memberikan cara yang murah untuk menghubungkan pipa yang dibuat dengan bahan dan ukuran yang berbeda.

Kontak dengan kami

Tentang DEGINES

Legines Industrial Machinery Inc.

Sebagai produsen fitting kuningan China profesional dan mendorong pemasok perlengkapan. Ini mengadopsi pemesinan CNC penuh dan memiliki area lokakarya 3600 meter persegi. 45 Alat Mesin Otomatis, 35 Peralatan Mesin CNC semi-otomatis, serta distributor, yang telah menjadi pemasok penting untuk produksi suku cadang kuningan Amerika di Cina ...
  • menghormati
  • menghormati

Instruksi & Berita