legines.com
252 Fitting Adaptor Wanita Flare Terbalik

252 Fitting Adaptor Wanita Flare Terbalik

Fitur Produk:
■■ Semua konstruksi kuningan
■■ UL terdaftar untuk cairan dan gas yang mudah terbakar
■■ Memenuhi persyaratan fungsional SAE J512
■■ Kacang baja untuk ekonomi

Pasar: Aplikasi:
■■ AC ■■ Garis Refrigeran
■■ Laut ■■ Garis rem
■■ Mobile ■■ Garis Bahan Bakar
■■ Mesin

Tubing yang kompatibel:
■■ Tembaga
■■ Kuningan
■■ Aluminium
■■ Tubing hidrolik baja las

Referensi Bagian No:
461FHD -252 -46W

Hubungi kami

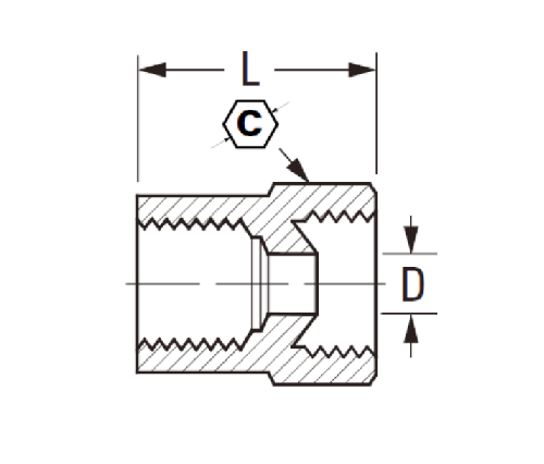
Spesifikasi

BAGIAN#

Tube O.D × Thread

C

D

L

252-3a

3/16 × 1/8 15/32 .125 .62

252-4a

1/4 × 1/8 17/32 .188 .62

252-5b

5/16 × 1/4 19/32 .220 .70

252-6b

3/8 × 1/4 3/4 .281 .80

252-8C

1/2 × 3/8 29/32 .406 .91

*Ref.SAE No.040103 BA

Adaptor flare betina semua kuningan ini memiliki suar terbalik untuk digunakan dengan fitting flared jantan standar. Ini memberikan segel yang andal untuk mencegah kebocoran dan disetujui SAE J512. Kacang baja direkomendasikan untuk aplikasi ekonomi, di mana fitting flare yang terpasang secara permanen masih harus dilepas atau dipasang kembali dalam waktu singkat.
Memberikan keserbagunaan dan daya tahan ekstra, seri 252 akan menampung pipa dengan diameter luar 3/16 ", 1/4", 5/16 "dan 3/8". Ini memastikan bahwa itu kompatibel dengan hampir semua alat kelengkapan tangki Anda. Anda juga akan terkesan dengan konstruksinya yang tahan lama, memastikan umur panjang tidak peduli berapa kali Anda menggunakannya.
Pemasangan adaptor ini dirancang untuk menghubungkan tubing ke selang dan katup. Terbuat dari kuningan, pemasangan ini memenuhi standar industri dan dirancang untuk digunakan dalam aplikasi otomotif dan laut.
Adaptor betina terbalik adalah pemasangan betina yang kompatibel dengan tabung NPT SaE 1/2 "dan tubing SAE 3/8". Dibangun dari bahan yang tahan lama dan dirancang untuk penggunaan yang luas, perlengkapan ini sangat bagus untuk rumah atau bisnis apa pun.

Kontak dengan kami

Tentang DEGINES

Legines Industrial Machinery Inc.

Sebagai produsen fitting kuningan China profesional dan mendorong pemasok perlengkapan. Ini mengadopsi pemesinan CNC penuh dan memiliki area lokakarya 3600 meter persegi. 45 Alat Mesin Otomatis, 35 Peralatan Mesin CNC semi-otomatis, serta distributor, yang telah menjadi pemasok penting untuk produksi suku cadang kuningan Amerika di Cina ...
  • menghormati
  • menghormati

Instruksi & Berita