legines.com
502 Siku Flare Union Terbalik

502 Siku Flare Union Terbalik

Fitur Produk:
■■ Semua konstruksi kuningan
■■ UL terdaftar untuk cairan dan gas yang mudah terbakar
■■ Memenuhi persyaratan fungsional SAE J512
■■ Kacang baja untuk ekonomi

Pasar: Aplikasi:
■■ AC ■■ Garis Refrigeran
■■ Laut ■■ Garis rem
■■ Mobile ■■ Garis Bahan Bakar
■■ Mesin

Tubing yang kompatibel:
■■ Tembaga
■■ Kuningan
■■ Aluminium
■■ Tubing hidrolik baja las

Referensi Bagian No:
502 -450

Hubungi kami

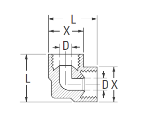
Spesifikasi

BAGIAN#

Tabung O.D.

D

M

L

502-4 1/4 .188 .53 .77
*502-5 5/16 .219 .59 .86
*502-6 3/8 .281 .72 1.04

*Bukan standar

*Ref.SAE No.040201 BA

502 Flare Union Elbow terbalik adalah serikat suar yang menyediakan koneksi yang kompatibel secara universal untuk tabung di sisi hilir bagian. Ini memiliki semua konstruksi kuningan, UL terdaftar untuk cairan dan gas yang mudah terbakar, dan memenuhi persyaratan fungsional SAE J512. Kacang baja untuk ekonomi, silakan periksa ref no.
Siku Union ini adalah pemasangan pipa yang digunakan dalam sistem pendingin dan pendingin udara. Biasanya terhubung ke tembaga, tabung perak atau kuningan. Fiting yang menyala termasuk lubang drainase untuk membantu menguras kondensasi dari tabung.

Kontak dengan kami

Tentang DEGINES

Legines Industrial Machinery Inc.

Sebagai produsen fitting kuningan China profesional dan mendorong pemasok perlengkapan. Ini mengadopsi pemesinan CNC penuh dan memiliki area lokakarya 3600 meter persegi. 45 Alat Mesin Otomatis, 35 Peralatan Mesin CNC semi-otomatis, serta distributor, yang telah menjadi pemasok penting untuk produksi suku cadang kuningan Amerika di Cina ...
  • menghormati
  • menghormati

Instruksi & Berita