legines.com
Kacang benang tabung baja 105L

Kacang benang tabung baja 105L

Fitur Produk:
■■ Semua konstruksi kuningan
■■ UL terdaftar untuk cairan dan gas yang mudah terbakar
■■ Memenuhi persyaratan fungsional SAE J512
■■ Kacang baja untuk ekonomi

Pasar: Aplikasi:
■■ AC ■■ Garis Refrigeran
■■ Laut ■■ Garis rem
■■ Mobile ■■ Garis Bahan Bakar
■■ Mesin

Tubing yang kompatibel:
■■ Tembaga
■■ Kuningan
■■ Aluminium
■■ Tubing hidrolik baja las

Bagian Referensi No:

Hubungi kami

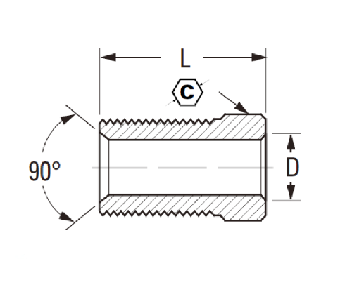
Spesifikasi

BAGIAN#

Tabung O.D.

C

D

L

105L-3

3/16 3/8 .196

.844

105L-4

1/4 7/16 .257 .812

Ini adalah konstruksi kuningan, mur benang panjang untuk tabung hingga 1/4 "bahan o.
Mencari mur tubing stainless steel? Daftar ini untuk Anda! Kacang utas tabung panjang stainless 105L adalah peningkatan yang bagus untuk sistem pipa Anda yang dibangun dari semua konstruksi kuningan dan memenuhi persyaratan fungsional SAE J512. Muncul dalam banyak ukuran, jadi pastikan untuk memeriksanya.

Kontak dengan kami

Tentang DEGINES

Legines Industrial Machinery Inc.

Sebagai produsen fitting kuningan China profesional dan mendorong pemasok perlengkapan. Ini mengadopsi pemesinan CNC penuh dan memiliki area lokakarya 3600 meter persegi. 45 Alat Mesin Otomatis, 35 Peralatan Mesin CNC semi-otomatis, serta distributor, yang telah menjadi pemasok penting untuk produksi suku cadang kuningan Amerika di Cina ...
  • menghormati
  • menghormati

Instruksi & Berita