legines.com
702 Fitting Tee Union Flare Inverted

702 Fitting Tee Union Flare Inverted

Fitur Produk:
■■ Semua konstruksi kuningan
■■ UL terdaftar untuk cairan dan gas yang mudah terbakar
■■ Memenuhi persyaratan fungsional SAE J512
■■ Kacang baja untuk ekonomi

Pasar: Aplikasi:
■■ AC ■■ Garis Refrigeran
■■ Laut ■■ Garis rem
■■ Mobile ■■ Garis Bahan Bakar
■■ Mesin

Tubing yang kompatibel:
■■ Tembaga
■■ Kuningan
■■ Aluminium
■■ Tubing hidrolik baja las

Referensi Bagian No:
244IFHD -702 -441

Hubungi kami

Spesifikasi

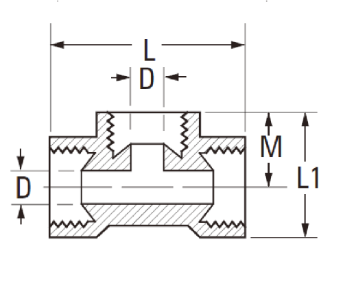
BAGIAN#

Tabung O.D.

D

M

L

702-2 1/8 .078 .330 .94
702-3 3/16 .125 .390 1.09
702-4 1/4 .188 .420 1.13
702-5 5/16 .219 .450 1.25
702-6 3/8 .281 .560 1.48
702-8 1/2 .406 .937 1.76

*Ref.SAE No.040401 BA

Fitting tee flare union terbalik digunakan untuk menghubungkan dua tabung. Pemasangan ini memungkinkan aliran dari satu koneksi untuk keluar dari koneksi yang berlawanan tanpa mengurangi tekanan atau aliran. Ini memiliki konstruksi kuningan yang sepenuhnya saling terkait dan memiliki desain yang sesuai dengan SAE J512, yang memungkinkannya untuk menahan korosi. Flare Union Tee terbalik dapat digunakan dalam aplikasi komersial dan industri seperti AC, jalur refrigeran, mesin laut, jalur rem dan saluran bahan bakar seluler.
702 Fitting Tee Flare Union terbalik kami terbuat dari kuningan, dan memenuhi persyaratan SAE J512. Ini memiliki mur baja untuk ekonomi yang dapat digunakan di garis antibeku, cairan rem, air pendingin mesin laut dan goo.

Kontak dengan kami

Tentang DEGINES

Legines Industrial Machinery Inc.

Sebagai produsen fitting kuningan China profesional dan mendorong pemasok perlengkapan. Ini mengadopsi pemesinan CNC penuh dan memiliki area lokakarya 3600 meter persegi. 45 Alat Mesin Otomatis, 35 Peralatan Mesin CNC semi-otomatis, serta distributor, yang telah menjadi pemasok penting untuk produksi suku cadang kuningan Amerika di Cina ...
  • menghormati
  • menghormati

Instruksi & Berita